Product folder sample buy technical documents tools software support community lm555 snas548dfebruary 2000revised january 2015 lm555 timer 1 features 3 description.

Sink and source current.
See your function and installation options and find the perfect sink for your ktichen.
Kafka connect jdbc connector source and sink you can use the jdbc source connector to import data from any relational database with a jdbc driver into apache kafka topics.
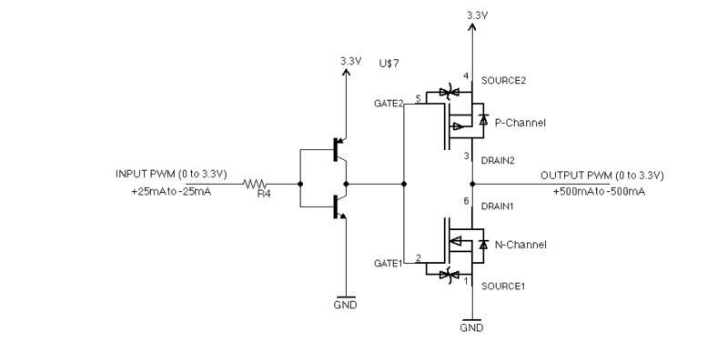
Anyone who has connected to the digital outputs of data acquisition or data logger systems for example the digital outputs of our di 149 and di 155 starter kits has wrestled with sink and source current specs and they continue to be a topic of confusion for many.
To date it is the only film made that deals directly with the operations chase and sinking of the battleship bismarck by the.
In early 2012 when negative equity was at its highest in the us the total dollar amount of negative equity was 12 trillion.
Is a 1960 black and white cinemascope british war film based on the book the last nine days of the bismarck by c.
The ambient temperature and the drive current both affect the junction temperature of leds.
The total combined current value of all homes at risk of being underwater with a 6 feet rise in sea levels is 882 billion.
A sink for serilog that writes events to microsoft application insights.
Wire all io points with a shared common as either sinking or sourcing.
This sink comes with several defaults that send serilog logevent messages to application insights as either eventtelemetry or tracetelemetry.
What affects junction temperature.
It stars kenneth more and dana wynter and was directed by lewis gilbert.
Other influences are the nature of the light whether it is steady state or pulsed and then the one we are really interested in led wattage per unit area of heat sink surface that dissipates heat.
Ref200 Dual Current Source Current Sink Features
Bjt Constant Current Driver
Regulated Power Sources Discrete Semiconductor Devices And
Constant Current Output Sink Or Source Diagram Schematic
Tl431 Typical Application Referenz Design
The Right Way To Do A Current Sink
Introduction To The Eeg Methodology
Current Sources Current Sinks And Current Mirrors 1
Current Source Wikipedia
100 Current Source Or Sink Yasminroohi
Difference Between Source And Sink Circuits Programmable
Gate Sinking And Sourcing Ledlabs
Variations Among Current Sink Source Circuits With A Single
What S All This Sink And Source Current Stuff
Floating Differential Source
Forum For Electronics
Current Sink Stability
Constant Current Source
Control System Basics Sink Vs Source Control Sealevel
How To Increase The Current Source Sink Capacity Of A
Bjt Current Source And Sink Mirrors Multisim Live
What Is A Source Measure Unit Smu National Instruments
Current Sources And Sinks Wikipedia
Gate Sinking And Sourcing Ledlabs
Current Source Density Estimate And Network Decoding A
Microcontroller Digital Output Basics
Ad421 Programmable Current Source Sink Discussions
Dc Electric Resource Transistor
How To Generate Current Sources And Sinks Of Arbitrary
J K Audio Design Constant Current Source
Voltage Controlled Regulator Both Sources And Sinks Current
What S The Difference Between Current Sourcing And Sinking
Source And Sink Ouianna Info
Precision Current Transmitter Source Sink Calibrator Has
Sink Source Input Output Current Dac Margining Ds4424 Mbed
Watt S Up Power Supply Current Source To Sink Crossover
Resolved Understanding This Precision Current Sink
Current Source And Current Sink Proces Data
Rs485 Current Source Sink Electrical Engineering Stack
Infragranular Sources Of Sustained Local Field Potential
Current Sources Current Sinks And Current Mirrors 1
App Note Precision Current Transmitter Source Sink
Solved Please Help With The Following The N Mosfet Cu
Current Sourcing And Current Sinking In Ttl Electronics
Nigel S Pic Tutorial Hardware Extras
Subject The Difference Between Sink And Source Circuits An
Solved Simple And Widlar Current Sink And Source Calculat
Npn Sinking And Sourcing Current Electrical Engineering
File Tl431 Current Sources And Sinks Png Wikimedia Commons
Opv Sink Source Current Sink Current Vermeidung
Configure Precision Current Sink And Current Source Circuits
Biophysical Basis Of Eeg
Operational Amplifier Opamp Based Constant Current Source
Sink And Source Rikonhoho Info
Current Sink Source Verstandnisfrage Mikrocontroller Net
Electrical Characteristics Of Ic S Part 2 Ppt Video Online
Wyatt Cascaded Peaking Current Sink And Source Multisim Live
Precision Current Sink Source Circuits Configure As Mirrors
Configure Precision Current Sink And Current Source Circuits
Sink Source Mcpedia Info
Sourcing And Sinking Current Liudr S Blog
Sink Or Source Normally Open Or Normally Closed Inst Tools
What Is Current Mirror And What Are Its Advantages Quora
Ds4424 Two Four Channel I C 7 Bit Sink Source Current Dac
Current Sources And Sinks
Biophysical Basis Of Eeg
Can The Arduino Sink More Current Than It Can Source
Basics Of Current Mirror Current Sources And Sinks
Meet Constant Current Source Circuits Ideas For You
Illustration Of Principle Behind Current Source Density Csd
Sink Source Input Output Current Dac Margining Ds4424 Mbed
Transistors How Does This Constant Current Sink Actually
Difference Between The Sinking And Sourcing Instrumentation
Current Source And Sink Cr4 Discussion Thread
Electronics Components How To Use The 555 Timer Output
What Are Current Sinks And Sources Quora
Forum For Electronics
Mcu Gpio의 Sink Current Source Current 이해 Oshw Alchemist
Regulated Power Sources Discrete Semiconductor Devices And
What Is Source And Sink Current Electronicsbeliever
Op Amp Can Source Or Sink Current Edn
Gs200 Dc Voltage Current Source Yokogawa Test
Basic Cmos Analog Ic Design Lecture 5 Cmos Current Sink And
Sourcing And Sinking Ni Dc Power Supplies And Smus Help
Saving A Resistor On An Npn Transistor Current Source Sink
Source And Sink Gulsahin Info
Linear 2 Transistor Current Source And Sink Easyeda
Current Sinking And Sourcing In Ttl Circuits
Current Source And Current Sink Proces Data
Battery Simulator Provides Mobile Insurance Power Electronics
How To Generate Current Sources And Sinks Of Arbitrary
Howland Current Source Circuitlab
Variations Among Current Sink Source Circuits With A Single
Chapter 3 Digital Circuits Ppt Video Online Download
How Does Bi Directional Level Converter Affect Sink And
What Are Current Sinks And Sources Quora
Led
Circuits Chuck S Robotics Notebook